LSF-T4Z30DD2三相交流电机正反转说明书

文章图片
【LSF-T4Z30DD2三相交流电机正反转说明书】
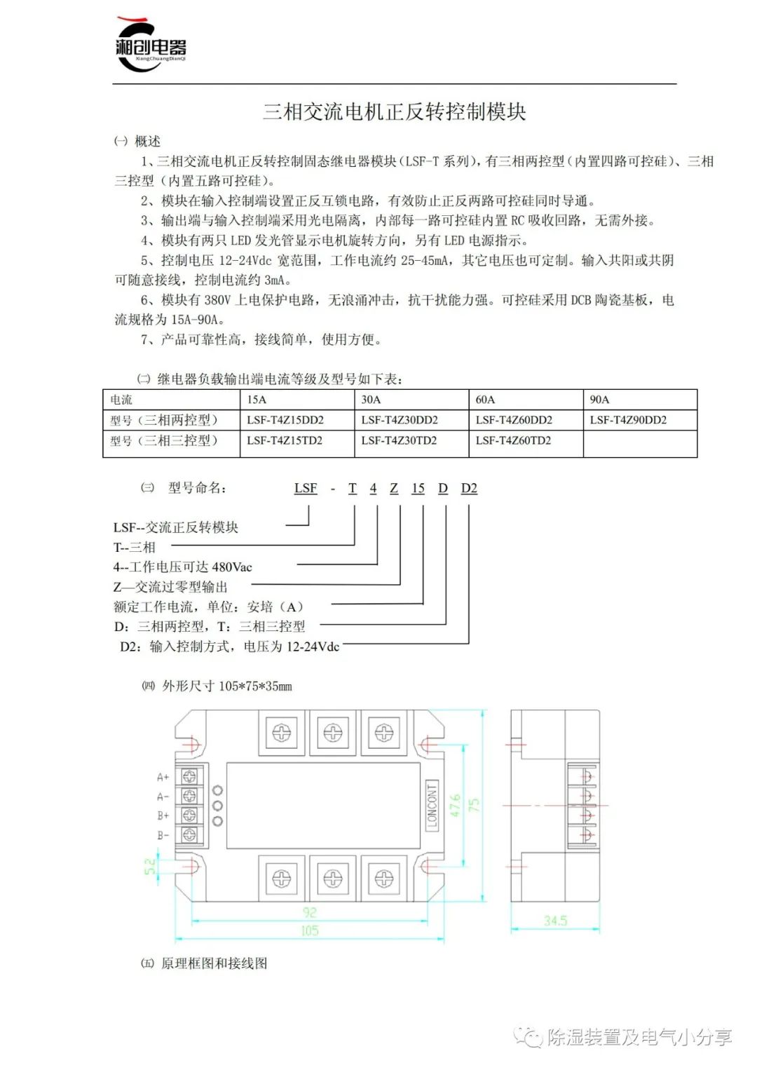
概述
1、三相交流电机正反转控制固态继电器模块(LSF-T系列) , 有三相两控型(内置四路可控硅)、三相三控型(内置五路可控硅) 。
2、模块在输入控制端设置正反互锁电路 , 有效防止正反两路可控硅同时导通 。
3、输出端与输入控制端采用光电隔离 , 内部每一路可控硅内置RC吸收回路 , 无需外接 。
4、模块有两只LED发光管显示电机旋转方向 , 另有LED电源指示 。
5、控制电压12-24Vdc宽范围 , 工作电流约25-45mA , 其它电压也可定制 。 输入共阳或共阴可随意接线 , 控制电流约3mA 。
6、模块有380V上电保护电路 , 无浪涌冲击 , 抗干扰能力强 。 可控硅采用DCB陶瓷基板 , 电流规格为15A-90A 。
7、产品可靠性高 , 接线简单 , 使用方便 。
以上关于本文的内容,仅作参考!温馨提示:如遇专业性较强的问题(如:疾病、健康、理财等),还请咨询专业人士给予相关指导!
「辽宁龙网」www.liaoninglong.com小编还为您精选了以下内容,希望对您有所帮助: